2025-12-22 15:47:12 0

卖家变被告!已波及60+店铺!大批冷门产品都已发TRO~涵盖健身、解压玩具、美妆、电源类产品(被告名单全公开)


扫码添加微信,即可免费领取一份2025年全年侵权案例集锦哦!

01

GASTROPOD商标

案件号:25-cv-25766

立案时间:2025年12月10日

原告:ALBION BRAND FOUNDRY LTD

代理律所:Palmer Law Group

受理法院:佛罗里达州南部地方法院

原告介绍

ALBION BRAND FOUNDRY LTD 旗下GASTROPOD品牌,源自英国,专注国际分类18类皮具制品。品牌以授权合作模式,携手精选电商伙伴,在全球市场推出一系列兼具功能与时尚的包袋产品。其系列涵盖都市通勤所需的背包、公文包、钱包,以及满足潮流与户外需求的运动包、宠物背包等,致力于为现代生活提供高品质的皮具配件解决方案。

案件分析

此案为商标维权,关键词:GASTROPOD。注册类别为第 18 类(皮革皮具类),涵盖公文包、钱包、背包、运动包、宠物背包、动物项圈、等 20 余类产品。

目前已有38家店铺被告,侵权风险极高!以下是维权具体信息,未经授权不得擅自使用,跨境卖家尽快检索下架,否则会有TRO侵权风险!

案情进展

产品展示

02

引体向上训练带

案件号:25-cv-62604

立案时间:2025年12月16日

原告:Luo Liu

代理律所:Desouza

受理法院:佛罗里达州南部地方法院

原告介绍

Luo Liu 是源自湖南的健身器械品牌,专注于研发高效实用的健身解决方案。品牌推出的引体向上辅助带,专为上半身核心肌群训练设计,可有效锻炼手臂、肩部、背部和胸部。该产品助力用户标准完成动作,提升肌肉参与度与耐力,帮助健身者快速增强力量,并支持减脂与全身塑形。适用于健身房与家庭场景,兼顾专业性与便捷性。

案件分析

此案为外观专利维权,专利号:D1068979、D1069946和D1046030。侵权风险极高!以下是维权具体信息,未经授权不得擅自使用,跨境卖家尽快检索下架,否则会有TRO侵权风险!

案情进展

产品展示

03

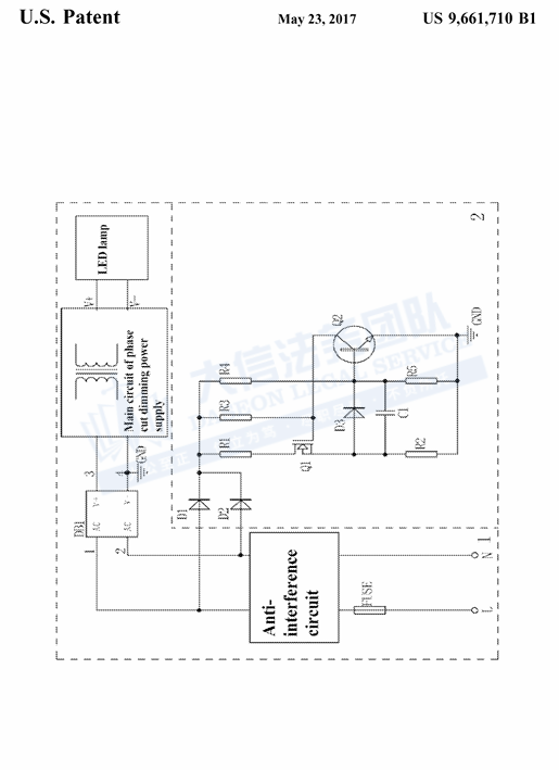
LED控制驱动器

案件号:25-cv-15117

立案时间:2025年12月12日

原告:Zhuhai shengchang Electric Co.,Ltd

代理律所:Meza Law、Dorsey

受理法院:伊利诺伊州北区法院

原告介绍

原告是中国专业LED驱动解决方案提供商,专注于高性能调光与非调光LED驱动器及智能控制器的研发与制造。产品以高可靠性、精准调光兼容性和优异能效为核心优势,广泛应用于商业照明、家居智能及专业工程领域,致力于为全球市场提供稳定、高效、创新的照明驱动技术与产品。

案件分析

此案为发明专利维权,专利号:US 9661710 B1、US 9942959 B1、US 9961724 B1、US 10039167 B1以及 US 11723164 B2。

目前已有18家店铺被告。侵权风险极高!以下是维权具体信息,未经授权不得擅自使用,跨境卖家尽快检索下架,否则会有TRO侵权风险!

案情进展

产品展示

04

感官活动玩具

案件号:25-cv-01957

立案时间:2025年12月16日

原告:PUSHPEEL LLC

代理律所:Ference & Associates

受理法院:美国宾夕法尼西区

原告介绍

Pushpeel 的感官活动板是一款多感官互动玩具系列,通过丰富的纹理模块、柔和的色彩组合与可拆卸的立体形状设计,激发触觉探索与视觉认知。产品注重安全材质与模块化互动,帮助孩子在动手拼接、按压与排序中自然锻炼手眼协调与专注力,同时为各年龄段用户提供舒缓压力的沉浸式触觉体验

案件分析

此案为专利维权,专利号:US 12478892 B2。侵权风险极高!以下是维权具体信息,未经授权不得擅自使用,跨境卖家尽快检索下架,否则会有TRO侵权风险!

案情进展

产品展示

今天就分享到这里了,感谢你的阅读。大信团队会持续为你带来最新的侵权咨询。想要了解更多内容,可关注我们【大信团队】

我们始终坚信,法律服务没有捷径,容不得任何滥竽充数的行为。大信法务团队有中美资深律师,在美国TRO诉讼行业深耕多年,处理过上万起TRO侵权案,致力于为中国跨境电商卖家保驾护航!

如果有关于店铺大额资金冻结、同行解决不了、缺席判决、多次谈判博弈无法和解的案子可以添加我们联系方式,我们将为你提供最优质的法律服务。